Dijital bir osiloskoptaki en önemli bileşenlerden biri analog dijital dönüştürücü ya da kısa ismiyle ADC'dir. Bu blog yazısı, osiloskoplarda ADC çözünürlüğünün ya da diğer bir deyişle bit sayısının özellikle sinyallerdeki küçük değişimleri görüntüleyebilmek için neden önemini anlatmaktadır.
ADC Çözünürlüğü
ŞEKİL 1. Dijital bir osiloskop için basitleştirilmiş sinyal akışı
Birçok yüksek hassasiyetli ölçüm cihazı, ADC'lerinde yüksek sayıda bit kullanır. Örneğin, Keithley 2002 gibi hassas bir dijital multimetre (DMM) 28 bit'e kadar ölçümler yapabilir. Peki osiloskoplarda neden genel olarak düşük çözünürlük kullanılıyor? Çünkü osiloskopların önceliği yüksek örnekleme hızıdır. 8-bit ADC'ler yüksek örnekleme hızları ve dolayısıyla mükemmel zaman çözünürlüğü sağlayabilir. En temel seviyedeki osiloskoplar bile artık GS/s (GigaSample/saniye) mertebelerinde örnek alabiliyor. DMM’lerde ise öncelik yüksek hız değil, yüksek doğruluktur. Bu yüzden DMM'lerin örnekleme oranları çok daha düşüktür - kabaca saniyede onlar veya yüzler mertebelerindedir - ancak doğrulukları da çok daha yüksektir.
Bir osiloskoptaki 8 bitlik bir ADC, yüksek örnekleme hızı ile yüksek doğruluk arasında iyi bir denge sağlayarak ve hem 0-5 arası TTL sinyallerde hem de yüzlerce voltluk sinyallerde iyi bir ölçüm sağlar. Bu tür sinyaller için 8 bitlik bir ADC yeterlidir.
Bununla birlikte, IoT cihazları, mobil cihazlar ve yüksek hızlı ağlar, düşük parazitlere ve düşük güç tüketimine dayanan otonom araçlar gibi yeni teknolojiler ortaya çıktıkça eskiye oranlar çok daha küçük genlikli sinyalleri daha yüksek doğrulukla görüntüleme ihtiyacı doğmaya başlamıştır.
Küçük sinyal ayrıntılarını ele alma ihtiyacı, bir yandan ADC çözünürlüğünü arttırırken bir yandan da osiloskobun iç gürültüsünü düşük tutumayı gerektirmektedir.

ŞEKİL 2. ADC'ye sadece birkaç bit eklemek, ADC'nin ayırt edebileceği voltaj düzeyi sayısını önemli ölçüde artırır
Geleneksel 8-bit ADC'ler (oversampling ve postprocessing işlemlerini göz ardı ederek) 28 = 256 dikey sayısal seviye sağlar. Bu nispeten yüksek voltaj seviyelerinde daha yüksek dikey çözünürlük gerektiren güç kaynağı tasarımı gibi uygulamalar için çok kaba olabilir. Buna karşılık, 12 bitlik bir ADC, dikey çözünürlükte çok yüksek bir artış ile 212 = 4096 dikey sayısal seviye sağlayabilir (Şekil 2).
Tektronix 12-bit Osiloskopların Kalbindeki ASIC'ler

ŞEKİL 3. TEK049 ASIC, en yeni nesil osiloskoplar için özel olarak tasarlanmıştır
Tektronix’in yeni 4 Serisi, 5 Serisi, 6 Serisi MSO osiloskopları, küçük sinyal ayrıntılarını doğru bir şekilde yakalamanıza yardımcı olmak için 12 bit ADC teknolojisi ile donatılmıştır. Yüksek çözünürlük, Şekil 3'te gösterilen ve her bir Tektronix 4, 5 ve 6 Serisi MSO'nun kalbinde yer alan TEK049 adlı özel bir ASIC tarafından sağlanır. Bu osiloskoplar, TEK049 ASIC sayesinde, maksimum 8 adet FlexChannel® girişte, 12 bit dikey çözünürlükte (Hi-Res modunda 16 bit) HD sinyal görünümü sağlayabilir. TEK49 400 milyon transistör, 2 milyar bağlantı, 4 ADC ve sinyal işleme ünitesinden oluşan son derece entegre bir system-on-chip ‘tir (SOC). ADC'ler 25 GS / s'ye kadar örnek hızlarına ulaşabilir.
Örnek bir ölçüm İncelemesi: Güç Kaynağı Anahtarlama Ölçümleri
Bu örnekte, bir güç kaynağındaki bir anahtarlama bölümünü değerlendiriyoruz. Bu ölçüm zordur çünkü oldukça büyük bir anahtarlama sinyalindeki salınımın periyodikliğine bakmak istiyoruz. Salınımlar, anahtarlama sinyalinin genliğine kıyasla nispeten küçüktür.

ŞEKİL 4. 8-bit MDO4000C (sol) ve 12-bit 4 Serisi MSO (sağ) osiloskoplarla bir anahtarlama sinyalini yakınlaştırma
Şekil 4, farklı dikey çözünürlüklere sahip osiloskopların kullanıldığı aynı testi göstermektedir. Anahtarlama devresinde her döngüden sonra bir salınım olur ve buradak ki amaç salınımları incelemektir. Tüm anahtarlama döngüsünü görmek için; dikey ölçek yaklaşık 1v/div’e ayarlanak, sinyali ekrana sığdırmak gerekmektedir.
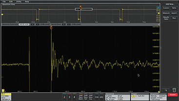
Şekil 5 ve 6, aynı koşullar altındaki iki osiloskobu gösterir: (250 MSa / s örnekleme hızı, 10 k örnek, 1v/div). Prob gürültüsünün etkilerini neredeyse tamamen ortadan kaldırmak için her iki cihazda da IsoVu optik olarak izolasyona sahip voltaj probu kullanılmıştır. 8 bitlik osiloskop ile yüksek yakınlaştırma faktörüne sahip sonuçların sınırlı olduğunu görebilirsiniz, çünkü artık kuantalama adımları ortaya çıkmıştır ve salınımları analiz etmeyi zorlaştırmıştır. Bununla birlikte, 12 bitlik osiloskop, benzer bir yakınlaştırma ayarında salınımları açıkça göstermektedir.

ŞEKİL 5. 8 bit çözünürlüklü MDO4000C osiloskopta salınımın görünümü

ŞEKİL 6. 12 bit çözünürlüklü yeni 4 Serisi MSO osiloskopta salınımın görünümü
Bu güç kaynağı anahtarlama örneği , TEK49 ASIC ‘in yüksek dikey çözünürlük ve doğruluk ile muadil osiloskoplara üstünlük sağladığı ölçümlerden sadece bir tanesidir.
12-bit ADC'leri düşük gürültülü ön uçlar ve yenilikçi DSP ile birleştiren yeni 4, 5 ve 6 Serisi osiloskoplardaki teknolojiye daha derin bir bakış için ürünlerimizi inceleyin.
İlgili Ürünler
4 Serisi MSO - Mixed Sinyal Osiloskop
5 Serisi MSO - Mixed Sinyal Osiloskop
6 Serisi MSO - Mixed Sinyal Osiloskop
KALİBRASYON LABORATUVARI